Production information
Features
- Environment friendly
- High Sound Pressure Level and Sensitivity
- Fast Delivery
- Compact and Attractive Appearance
Applications
- Object Detectors
- Robotics
- Intrusion Alarms
- Energy Saving System
Specification
| 40T-12W | Transmitter |
| 40R-12W | Receiver |
| Center Frequency | 40.0±1.0KHz |
| Transmitting Sound Pressure Level at 40.0KHz; 0dB re 0.0002µbar per 10Vrms at 30cm |
115dB min. |
| Receiving Sensitivity at 40.KHz 0dB=1 volt/µbar |
-67dB min. |
| Bandwidth(-6dB) | 4.0KHz (Tx), 2.0KHz(Rx) |
| Max.Driving Voltage(cont.) | 30Vrms |
| Beam Angle(-6dB) | 60° |
| Housing/Mesh Color | Aluminium/White |
| Operation Temperature | -30 to 70° C |
| Storage Temperature | -40 to 80° C |
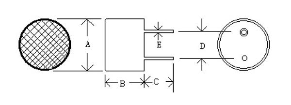
Outline Dimension
Test circuit
Download file






